廠家品牌:山東(dong)國立液壓
公司模(mo)式:生産廠家
加工(gong)方式:來圖定制
銷(xiāo)售批量:一台
産品(pin)價格:在線報價
産(chan)品簡介:
銷售區域(yu):江蘇,山東,廣東,浙(zhè)江,安徽,河北,河南(nan),四川,遼甯,湖北,蘇(sū)州,深圳,杭州,北京(jing),無錫,成都,濟南,鄭(zhèng)州,上海,青島,甯波(bo)
産品标簽:

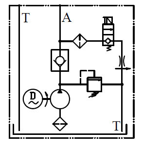
1.液壓系(xì)統壓力: 200bar
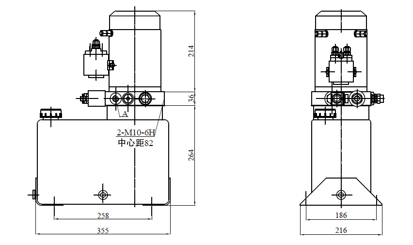
2.液壓油箱(xiāng)體積:7L
3.液壓泵排量(liàng):1.6, 2.6cc/r
4.電機功率:1.6KW, 2.2KW ;AC220V
5.電機轉(zhuan)速:2500r/min
6.功能:單作用
7.顔(yá)色:默認紅色/白色(se)塑料
8.安裝方式:卧(wò)式
9.油箱材料:鐵皮(pi)(1-1,5mm),工程塑料
10.應用場(chang)合: 堆高車和叉車(che)

**為電磁換向閥電(diàn)壓

地址:山東淄博(bo)市張店區沣水鎮(zhen)東高村工業園 Xml Txt Sitemap
聲(sheng)明:山東液壓生産(chǎn)廠家,我司網站已(yǐ)嚴格遵守廣告法(fa)。
掃二維碼進手機(jī)版
微信報價廠家(jia)價格
··›••
·