廠(chang)家品牌:山東國立(li)液壓
公司模式:生(shēng)産廠家
加工方式(shi):來圖定制
銷售批(pī)量:一台
産品價格(ge):在線報價
産品簡(jian)介:
銷售區域:江蘇(sū),山東,廣東,浙江,安(an)徽,河北,河南,四川(chuan),遼甯,湖北,蘇州💔,深(shen)圳📞,杭州,北京,無錫(xi),成都,濟南,鄭州,上(shang)海,青島,菏澤
産品(pin)标簽:

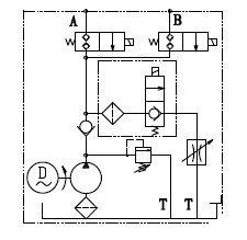
1.液壓系統壓力(li):130-180bar
2.液壓油箱體積:20L
3.液(yè)壓泵排量:2.1cc/r
4.電機功(gōng)率:2.2KW, AC220V
5.電機轉速:2850r/min
6.功能(néng):單作用
7.顔色:默認(rèn)紅色/白色塑料
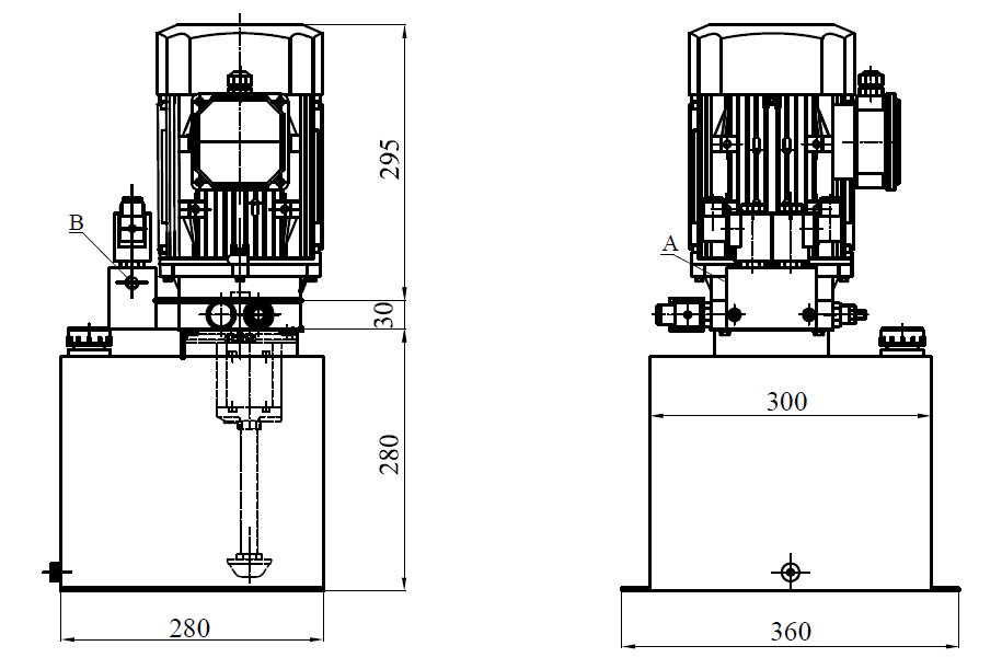
8.安(an)裝方式:立式
9.油箱(xiāng)材料:鐵皮(1-1,5mm),工程塑(su)料
10.應用場合: 大型(xing)車輛的維修

**為電(dian)磁換向閥電壓

yle="width: 482px; height: 482px;" />地址:山東淄博(bó)市張店區沣水鎮(zhèn)東高村工業園 Xml Txt Sitemap
聲(sheng)明:山東液壓生産(chǎn)廠家,我司網站已(yǐ)嚴格遵守廣告法(fa)。
掃二維碼進手機(jī)版
微信報價廠家(jia)價格
··›••
·