廠家品牌(pái):山東國立液(yè)壓
公司模式(shì):生産廠家
加(jia)工方式:來圖(tú)定制
銷售批(pi)量:一台
産品(pin)價格:在線報(bào)價
産品簡介(jiè):
銷售區域:江(jiang)蘇,山東,廣東(dōng),浙江,安徽,河(he)北,河南,四川(chuan),遼甯,湖北,蘇(su)州,深圳,杭州(zhou),北京,無錫,成(cheng)都,濟南,鄭州(zhōu),上海,青島,德(de)州
産品标簽(qian):

1.液壓系(xì)統壓力: 160bar
2.液壓(ya)油箱體積:6L
3.液(yè)壓泵排量:3.2cc/r
4.電(dian)機功率:1.5KW ; AC380V
5.電機(ji)轉速:1440r/min
6.功能:單(dan)作用
7.顔色:默(mo)認紅色/白色(se)塑料
8.安裝方(fang)式:卧式
9.油箱(xiang)材料:鐵皮(1-1,5mm),工(gong)程塑料
10.應用(yong)場合: 貨車

**為(wéi)電磁換向閥(fa)電壓
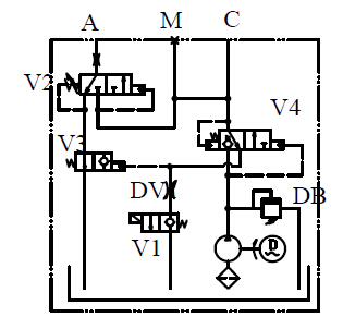
外形圖(tu)片


地(dì)址:山東淄博(bó)市張店區沣(feng)水鎮東高村(cun)工業園 Xml Txt Sitemap
聲明(míng):山東液壓生(shēng)産廠家,我司(sī)網站已嚴格(gé)遵守廣告法(fa)。
掃二維碼進(jin)手機版
微信(xin)報價廠家價(jià)格
··›••
·
客服(fu)QQ